12+ Dsl Wiring Diagram


11 0 Wiring Diagrams And Schematics At T Southeast Forum Faq Dslreports Isp Information


11 0 Wiring Diagrams And Schematics At T Southeast Forum Faq Dslreports Isp Information


How To Install A Dsl Line


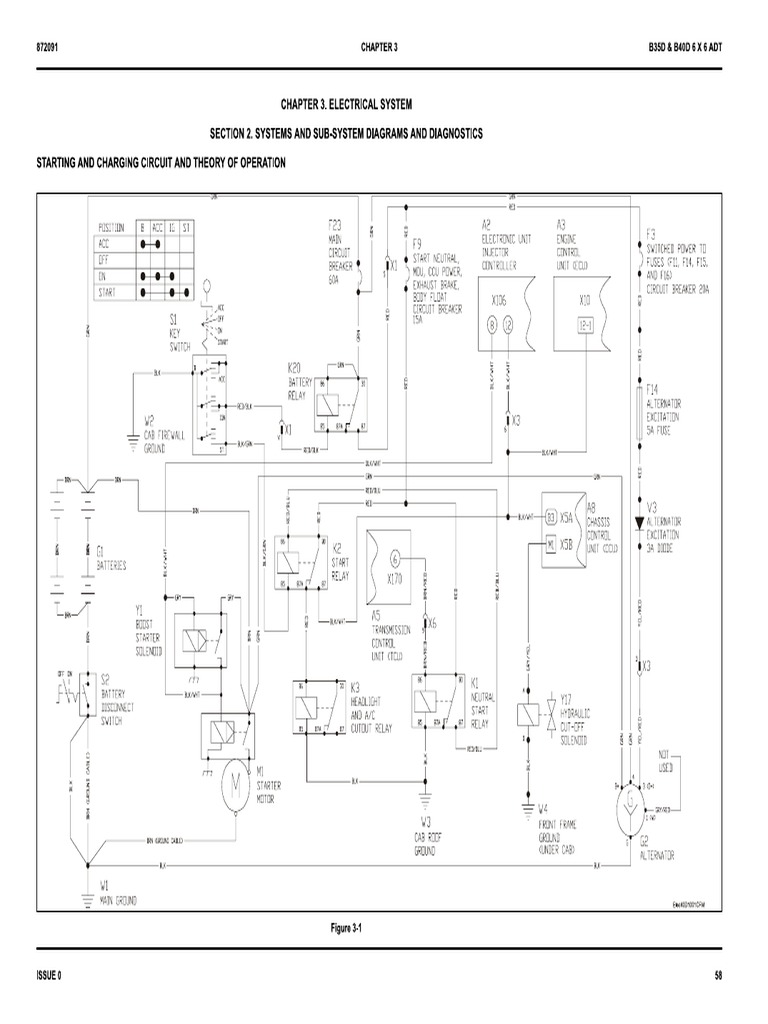
Bell Dumper B35d B40d Sheme Pdf


Wiring A House For Voice Dsl Youtube


Wiring A House For Voice Dsl Youtube


Headlight Problems Page 2 Dodgetalk Forum


How To Wire A Dsl Jack Techwalla


11 0 Wiring Diagrams And Schematics At T Southeast Forum Faq Dslreports Isp Information


Wiring Diagrams 12 Volt Planet Knowledge Centre


Internet Diagram Illustrating How Your Computer Connects To The Internet And To Other Components


Dsl Filters


Get Cooking With Apache Camel Ppt


Wiring Diagrams 12 Volt Planet Knowledge Centre


88light Reign 12v Led Dimmer Switch Wiring Diagrams


How To Connect A Tv And Modem To One Cable Outlet


How To Install A Dsl Line


How To Install A Dsl Line

Iklan Atas Artikel

Iklan Tengah Artikel 1

Iklan Tengah Artikel 2

Iklan Bawah Artikel